TUTTOTECNICA.IT
Il più grande raccoglitore di
materiale tecnico del web
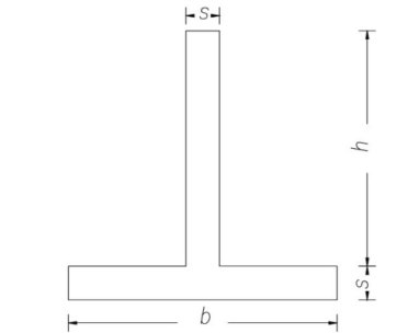
Travi a "T" a spigoli vivi (UNI 5681/73)
Consultazione libera senza alcuna registrazione!!!
h mm
b mm
S mm
peso kg/m
20
20
4
1.13
25
25
4.5
1.61
30
30
5
2.16
35
35
5.5
2.78
40
40
6
3.49
45
45
6.5
4.26
50
50
7
5.11
60
60
8
7.03
70
70
9
9.26
80
80
10
11.8
90
90
10
13.3
100
100
11
16.3
Tuttotecnica.it è:
Analisi prezzi
-
Blocchi DWG
-
Catasto e Conservatorie
-
Certificazione energetica
-
Condominio
-
Condono Edilizio
-
CTU e CTP
-
Estimo
-
Espropri
-
Filettature
-
Mercuriali
-
Modulistica
-
Norme per la misurazione
-
Passi carrai
-
Retini CAD
-
Schede tecniche
-
Sicurezza lavoro
-
Software tecnico
-
Stime Immobiliari
Successioni
-
Tabelle dimensioni e pesi
-
Unità di misura
-
Tariffari e prezzari
-
VAM
Torna alla home page di PESI e DIMENSIONI